English
|
简体中文
:
All
Product Name
Product Keyword
Product Model
Product Summary
Product Description
Multi Field Search
Home
Company Overview
Enterprise profile
Research and development ability
Manufacturing capacity
Core culture
Quality culture
Brand story
Product
Product core 2
Electrohydraulic servo valve
Spurts the files valve
Jet flow valve
Drives the valve straight
Other products
Test equipment
Service
Service
Other
Application
Goods for civilian use service
Goods for civilian use domain
Airplane domain
Defense domain
Support
Servo valve principle of work
Servo valve technical term
Technical term
Electrical specification
Hydraulic pressure identity
Static characteristic
Dynamic characteristic
Servo valve using manual
Servo valve shaping manual
Servo valve use safeguarding manual
FAQ
Download
:
All
Product Name
Product Keyword
Product Model
Product Summary
Product Description
Multi Field Search
Home
Company Overview
Enterprise profile
Research and development ability
Manufacturing capacity
Core culture
Quality culture
Brand story
Product
Product core 2
Electrohydraulic servo valve
Spurts the files valve
Jet flow valve
Drives the valve straight
Other products
Test equipment
Service
Service
Other
Application
Goods for civilian use service
Goods for civilian use domain
Airplane domain
Defense domain
Support
Servo valve principle of work
Servo valve technical term
Technical term
Electrical specification
Hydraulic pressure identity
Static characteristic
Dynamic characteristic
Servo valve using manual
Servo valve shaping manual
Servo valve use safeguarding manual
FAQ
Download
English
English
简体中文
Product center
Product catelog
Electrohydraulic servo valve
Nozzle-flapper EHSV
Jet-pipe EHSV
DDV
Other products
Test equipment
Maintenance capability
Other
Product details
loading
Share to:
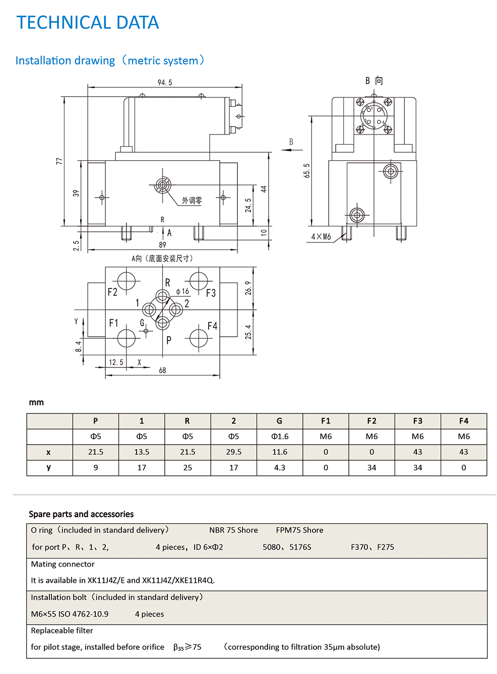
FF-115 series double nozzle flapper force feedback flow control EHSV
Availability:
Inquire
Product description
Previous:
Next:
Downloading sample information
Email
Company Overview
Enterprise profile
Research and development ability
Manufacturing capacity
Core culture
Quality culture
Brand story
Product
Electrohydraulic servo valve
Test equipment
Maintenance capability
Other
Application
Aviation
Civilian use
Civil products maintenance
Civilian airplane
Defense
Support
Operation
Technical term
Instruction for application of servo valves
Instruction for choosing right type of servo valves
Operation and maintenance instruction for electrohydraulic servo valve
FAQ
Download
Chinese verision
English version
Contacts Us
6 Lanhui Road, New & Hi-tech Development Zone, Pukou District, Nanjing, China
Zip code: 210061
Telephone:
+86 025 58055995
+86 025 58055996
+86 025 58055997
Email:
chengby006@avic.com
Leave a Message
Contact
Name
*
Iphone
*
E-mial
Message
Submit
Reset
Copyright 2017 all rights reserved: Aviation industry AVIC Nanjing Servo Control System Co., Ltd.